Name
Generic Mercury Removal Unit (Non-Regenerable)
Owner
/ Undefined Technology Provider
Brand
Process
Gas processing
Type
Mercury Removal Unit
Available
Insight Articles
#TE402
mru mercuryremovalunit nonregenerable leadlag sorbent

Description

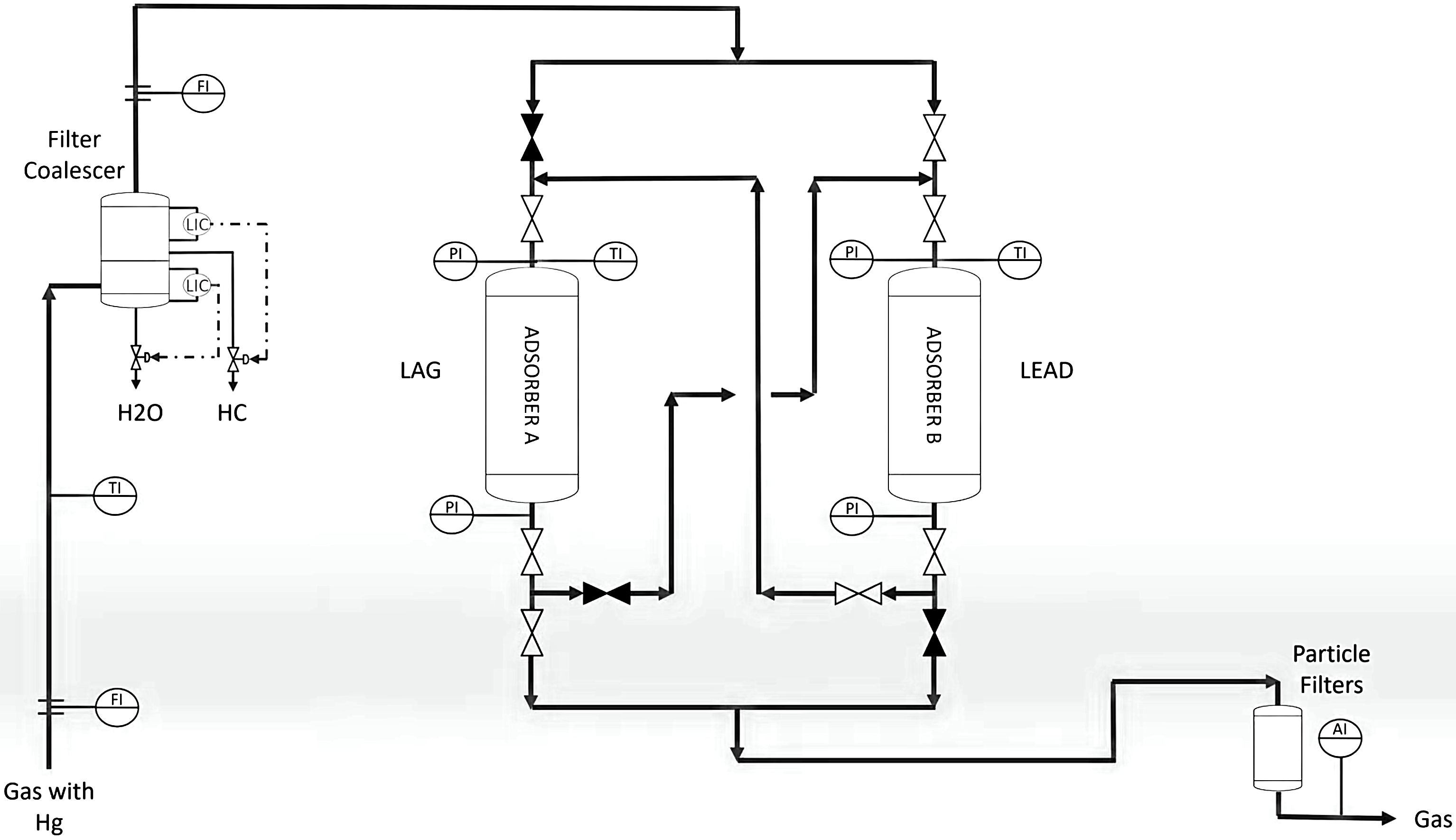
Process Overview

A fixed-bed adsorption unit in which mercury-laden gas flows through one or more vessels packed with a non-regenerable sorbent. Mercury is chemically captured and permanently retained in the sorbent. The spent bed is eventually removed and sent for hazardous waste disposal.​​


Step-by-Step Process Description

Step 1 — Inlet Liquid Separation

  • Feed gas (wet, mercury-laden) enters a vertical inlet separator or knock-out drum
  • Removes free water and liquid hydrocarbons entrained in the gas stream
  • A demister pad is used when liquid loading > 800–1,000 kg/h​
  • Typical conditions: feed at 30–80 barg; temperature typically 15–60°C​​

Step 2 — Feed Coalescing / Filtration

  • Gas passes through a filter coalescer (2×100% for full redundancy) for fine liquid removal
  • Removes aerosol droplets > 0.3 µm to protect sorbent bed from liquid carryover​
  • Critical: liquid contamination reduces sorbent life significantly

Step 3 — Optional Inlet Cooling

  • If feed gas temperature exceeds 150°C, an air cooler (typically 0.5 bar ΔP) reduces temperature before the adsorber
  • The 150°C limit is critical: above this, sulfur vapors form and permanently damage sulfide-based sorbents​

Step 4 — Mercury Adsorption (Lead Vessel)

  • Gas flows downward through the lead adsorber vessel packed with non-regenerable sorbent (metal sulfide, copper-based, or sulfur-impregnated activated carbon)
  • Mercury reacts chemically with the active phase (e.g., HgS formation with metal sulfide sorbents):
    • Hg⁰ + S → HgS (immobilized within sorbent matrix)
  • Key operating parameters:​​
  • Operating pressure: 20–250 barg (pressure not critical per se; high pressure favors gas-phase density but vessel must be rated)
    • Temperature: 15–60°C adsorption; must remain above gas dew point
    • Max pressure drop per vessel: 0.5 bar
    • Depressurization rate: ≤ 3.5 bar/min (to avoid bed lifting)
    • Bed life design: minimum 2 years, typically 3–4 years per vessel​
  • Vessel internals: inlet gas distributor → mesh screen → ceramic ball layer (top) → sorbent bed → outlet basket with 3 ceramic ball size layers

Step 5 — Mercury Adsorption (Lag Vessel, Lead/Lag Configuration)

  • Gas exits lead vessel and enters the lag adsorber in series
  • The lag vessel acts as a safety/polishing bed, capturing any mercury breakthrough from the lead vessel
  • When lead vessel reaches saturation (mercury breakthrough detected), it is isolated; lag vessel becomes the new lead; a freshly loaded vessel becomes the new lag​
  • No bypass line is permitted in either vessel to prevent any mercury slippage to downstream units​

Step 6 — Outlet Particle Filtration

  • Treated gas passes through 2×100% particle filters before exiting to downstream units
  • Removes ≥ 95% of particles ≥ 5 µm; ΔP 0.2–0.3 bar (clean) / 0.5 bar (dirty service)​
  • Prevents sorbent fines from contaminating downstream equipment

Equipment List

Item Type / Specification
Inlet separator / KO drum Vertical vessel with demister; 2×100% recommended
Feed filter coalescer 2×100%; removes liquids > 0.3 µm
Inlet air cooler (optional) If T > 150°C; ΔP = 0.5 bar
Lead adsorber vessel Fixed-bed, vertical; non-regenerable sorbent; ΔP ≤ 0.5 bar
Lag adsorber vessel Fixed-bed, vertical; same spec; operates in series
Isolation / switching valves ΔP-rated; do not open if ΔP > 1 bar
Pressurisation bypass Sized for 15–20 min start-up pressurisation
Outlet particle filters 2×100%; ≥ 95% removal of 5 µm particles
Instrumentation Mercury analyser on outlet (target ≤ 10 ng/Nm³) ​

Performance & Efficiency

  • Outlet mercury specification: ≤ 10 ng/Nm³ (industry standard for LNG/cryogenic protection; corresponds to ~1 ppt by volume)​
  • Some sorbents (e.g., MERSORB®, ActiSorb™ GP 418) achieve sub-0.01 µg/Nm³​
  • Removal efficiency: effectively 100% when bed is fresh; breakthrough marking end of useful life
  • Sorbent bed sized for 2–4 years between change-outs​
  • Unit operates as a static item with minimal operational requirements; suitable for unmanned facilities​

Economics

Capital Cost Drivers

  • Primary CAPEX items: adsorber vessels (pressure-rated), inlet separator/coalescer, outlet filters, switching valves, and instrumentation
  • No regeneration heater, regen gas circuit, or cycle controller is required — significantly lower CAPEX vs. regenerable systems
  • Lead/lag configuration requires two vessels vs. one for duty/standby; vessel count is the main CAPEX variable

Operating Cost Drivers

  • Dominant OPEX item: periodic sorbent replacement every 2–4 years
  • Spent sorbent disposal: classified as hazardous mercury waste in most jurisdictions; disposal cost adds materially to OPEX and must be factored into lifecycle cost
  • No regeneration utilities: no fuel gas, steam, or electrical heating required — lower utility OPEX vs. regenerable systems
  • Wet gas or high-Hg feed conditions shorten bed life and increase sorbent replacement frequency, raising OPEX proportionally

Sorbent Cost Comparison

Sorbent selection has a significant impact on both capital and operating cost. A field-based cost comparison for a representative single MRU vessel (1.8m ID × 2.6m T/T) found the following (Noaman A.A.):

Technology Vendor Sorbent Cost
(US$/m³)
Bed Volume (m³) Total Sorbent Cost
(US$)
Metal oxide
(alumina-based)
Axens 13,790 8.7 91,219
Sulfur-impregnated activated carbon Calgon Carbon 5,621 10.0 56,207
Metal oxide Johnson Matthey 21,310 5.0 106,552

Despite its highest unit cost per m³, the Johnson Matthey metal oxide achieves the smallest bed volume and lowest overall 25-year lifecycle cost, due to superior mercury capacity per unit volume. Activated carbon has the lowest unit cost but requires the largest bed and is sensitive to moisture, restricting its use to dry gas positions (downstream of dehydration).


Deployments

Widely deployed globally in gas processing, LNG pretreatment, offshore platforms, and NGL recovery plants. Considered a standard utility unit; all major gas plants in mercury-prone regions (SE Asia, North Africa, Middle East) incorporate at least one non-regenerable MRU. Suitable for unmanned and remote operations.


References

  1. Mihail Editoiu (Sep 16, 2025). Mercury Removal Unit Process Flow Diagram. Youtube video
  2. Axens. Mercury Removal Adsorbents (Accessed Mar 22, 2026)
  3. Rastelli R., Gorawara J.K., & Simonetti D.A.. United States patent US9670422B2 — Process for the removal of mercury from hydrocarbon streams containing oxygen. Nov 20, 2014: Application filed by UOP LLC. 
  4. CECO Peerless. Technology leaflet: Mercury Removal Unit (Rev Apr, 2020)
  5. NUCON International Inc. Activated Carbons for Mercury Removal (Accessed Mar 22, 2017) 
  6. Noaman A.A. (Dec, 2021). Application of mercury removal technology in the gas projectInternational Journal of Engineering and Information Systems (IJEAIS)5(12), 1–11. ISSN: 2643-640X
  7. Kolmetz K. Mercury Removal Unit Selection, Sizing and Troubleshooting (Rev 032 Feb 2020). Kolmetz Handbook Of Process Equipment Design. 

Insight Articles
Your insights will be shown here

Mercury Removal Unit process flow diagram | Source: Mihail Editoiu https://www.youtube.com/watch?v=hfsw3E0LNs8
Mercury Removal Unit process flow diagram | Source: Mihail Editoiu https://www.youtube.com/watch?v=hfsw3E0LNs8
Content provided by
Transaction Name Date
Modified by UserPic   Kokel, Nicolas 3/23/2026 2:53 PM
Added by UserPic   Kokel, Nicolas 3/21/2026 5:41 PM