Process Overview
The Chevron Phillips Chemical (CPChem) Full-Range Normal Alpha Olefins (NAO) Process represents the world's first commercial ethylene oligomerization technology, originally developed by Gulf Oil Chemical Company in the early 1960s and commercialized in 1965-1966 at Cedar Bayou, Texas. The technology produces a broad spectrum of even-numbered linear alpha olefins ranging from C₄ to C₃₀⁺ following a Schulz-Flory distribution typical of chain-growth polymerization, through statistical oligomerization using a triethylaluminum-based Ziegler catalyst system, which distinguishes this technology from:
- Stoichiometric Ziegler processes (multi-step, high aluminum consumption)
- Selective oligomerization (single carbon number products)
- On-purpose processes (specific olefin targets)
Historical Development
Gulf Oil Era (1960s-1985)
- Technology Development: Pioneered by Gulf Oil Chemical Company research team
- First Patent: US 3,584,071 (June 8, 1971) - "Telomerization of Ethylene"
- Commercial Startup: 1965-1966 at Cedar Bayou facility
- Global First: World's first commercial ethylene oligomerization process
- Original Catalyst: Ethylaluminum sesquichloride (Et₁.₅AlCl₁.₅) + TiCl₄
Chevron Era (1985-2000)
- 1985: Chevron acquired Gulf Oil including oligomerization technology
- Technology Evolution: Transition to triethylaluminum-based catalyst system
- Process Optimization: Continuous improvements in catalyst efficiency and product distribution
CPChem Era (2000-Present)
- 2000: Chevron Phillips Chemical formed as 50-50 joint venture
- Facility Expansions: Multiple capacity increases (2015: +100,000 MT/year) to 810,000 MT/year
- Technology Integration: Strategic feedstock for downstream PAO production
Technical Description
Catalyst System
- Primary Catalyst: Triethylaluminum (AlEt₃) in catalytic amounts
- Co-catalyst: Titanium tetrachloride (TiCl₄) - trace amounts
- Catalyst Type: Homogeneous Ziegler catalyst system
- Catalyst Consumption: Catalytic quantities (vs. stoichiometric Ethyl process)
Process Chemistry
The oligomerization proceeds via a chain-growth mechanism with ethylene insertion into aluminum-carbon bonds:
- Growth Step: Al(C₂H₅)₃ + nC₂H₄ → Al[(CH₂CH₂)ₙC₂H₅]₃
- Displacement Step: Al[(CH₂CH₂)ₙC₂H₅]₃ + 3C₂H₄ → Al(C₂H₅)₃ + 3[RCH=CH₂], where R represents alkyl chains of varying lengths (C₂-C₂₈⁺)
Operating Conditions
- Temperature: 175-290°C
- Pressure: 2,000-4,000 psi (138-276 bar)
- Reactor Type: Plug flow reactor configuration
- Operation Mode: Single-stage continuous process
- Residence Time: Several hours (estimated 2-6 hours)
- Per-pass Conversion: 55% of ethylene
- Unconverted ethylene: 45 mass units (recycled)
- Per-pass LAO yield: ~mass units (accounting for 2% process losses)
Process Configuration
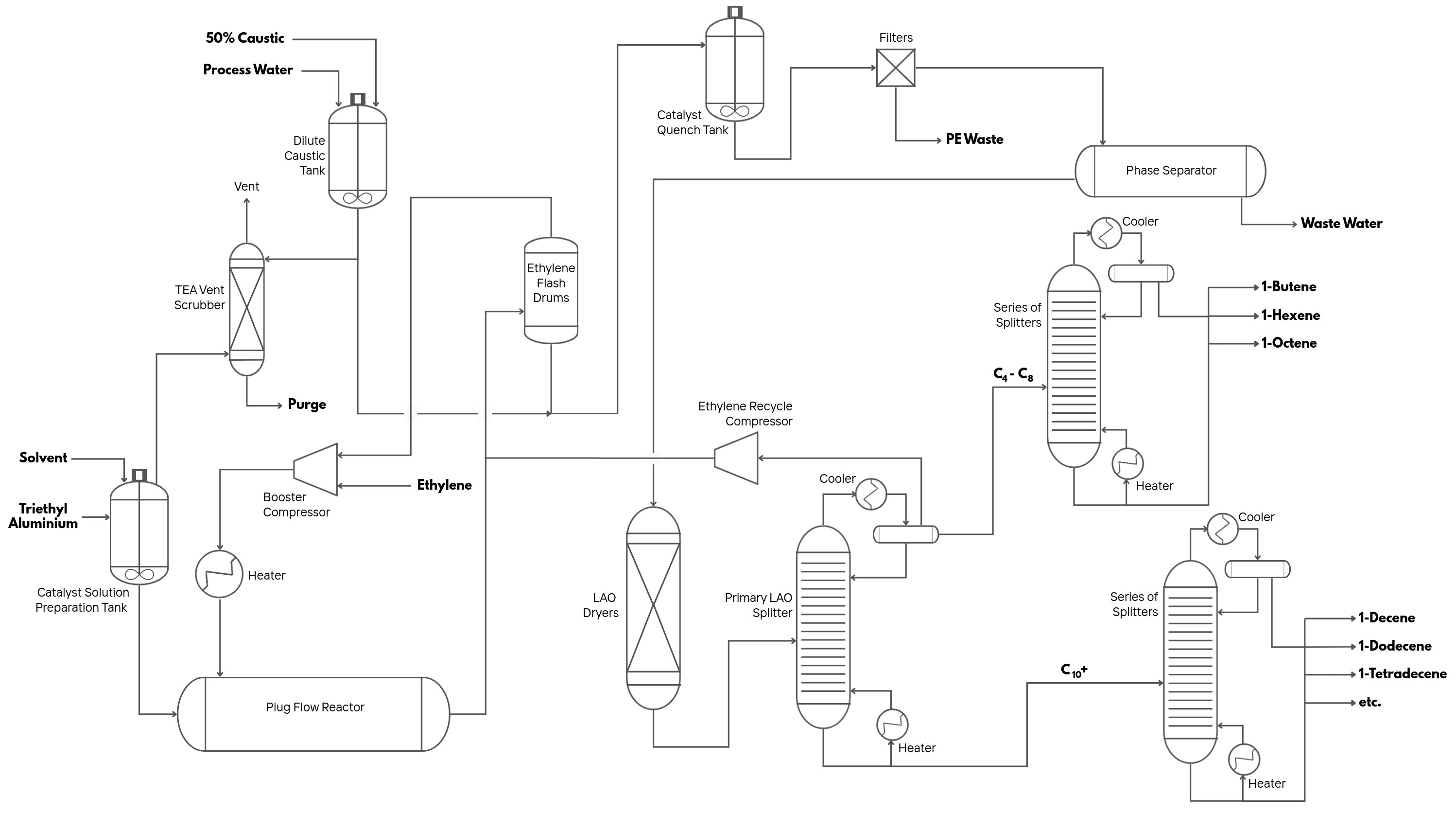
Based on available information and the original Gulf Oil patent, the process includes:
- Reactor Feed: Triethylaluminum and excess ethylene fed to plug flow reactor
- Oligomerization: Chain-growth reaction under high temperature and pressure
- Catalyst Quench: TEA catalyst neutralized with caustic solution
- Ethylene Recovery: Unreacted ethylene flashed off and recycled
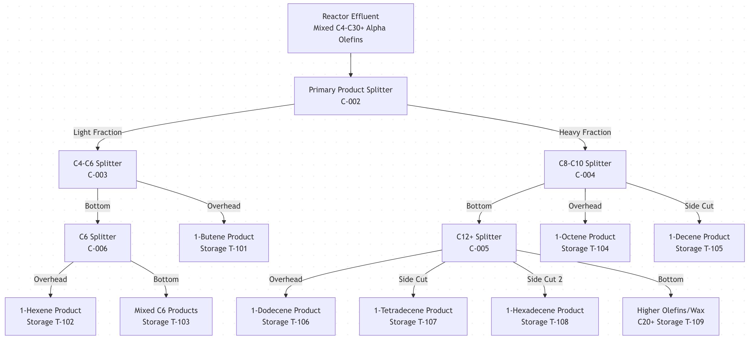
- Product Separation: Linear alpha olefins separated by multi-stage distillation
Figure 1 - Simplified CPChem Triethyaluminum-catalyzed ethylene oligomerization process flow diagram

Figure 2 - Details of the products separation section, chart generated by Perplexity AI in Markdown format.

Product Specifications
Typical Product Distribution (Weight %)
| Carbon Number |
Product |
Weight % |
| C₄ |
1-Butene |
14% |
| C₆-C₁₀ |
Mixed LAO |
41% |
| C₁₂-C₁₄ |
Detergent Range |
19% |
| C₁₆-C₁₈ |
Industrial Range |
12% |
| C₂₀⁺ |
Waxes/Higher |
14% |
Product Quality
Alpha-Olefin Content:
- C₄-C₁₈: 90.5-98.3% (butene-1 highest purity)
- C₂₀-C₂₄: 88.3% alpha-olefin content
- C₂₄-C₃₀⁺: 33.0-48.0% alpha-olefin content
Impurities: Internal olefins, paraffins, and branched olefins
Commercial Implementation
Current Operations
CPChem Cedar Bayou Facility, Texas, USA:
- Capacity: Estimated 810,000 metric tons/year
- Historical Data: 703,000 MT/year (2010) + 100,000 MT expansion (2015)
- Integration: Part of integrated ethylene-LAO-PAO complex
- Ethylene Supply: On-site 1.5 million MT/year ethane cracker
- Strategic Role: Primary feedstock for downstream PAO production
Qatar Chemical Company II (Q-Chem II), Mesaieed Industrial City, Qatar:
- Capacity: 345,000 metric tons/year - Qatar's first full-range NAO unit
- Startup: 2010 commercial operations
- Investment: $2 billion project (Q-Chem II total)
- Technology: Licensed CPChem Full-Range NAO process
- Ethylene Supply: Via 135km pipeline from Ras Laffan Olefins Company (RLOC) cracker
- NAO separated in 11 fractions: C₄, C₆ (1-Hexene), C₈, C₁₀, C₁₂, C₁₄, C₁₆, C₁₈, C₂₀-C₂₄, C₂₄-C₂₈, C₃₀⁺ (wax grades)
Historical Licensed Operations
Mitsubishi Chemical Corporation (Japan):
- Location: Mizushima, Okayama Prefecture
- Status: Discontinued production May 2009
- License: Direct CPChem technology licensing
Chemopetrol SPOLANA (Czech Republic):
- Location: Neratovice chemical complex
- Operation: September 1992 - 2003
- Status: Plant closed 2003
Process Evolution and Improvements
Catalyst System Development
- Original Gulf System (1960s):
- Primary: Ethylaluminum sesquichloride (Et₁.₅AlCl₁.₅)
- Co-catalyst: Titanium tetrachloride
- Promoters: Diphenyl ether for enhanced C₁₀-C₁₂ production
- Current CPChem System:
- Primary: Triethylaluminum (AlEt₃)
- Advantages: Reduced chlorine content, improved catalyst efficiency
- Environmental: Elimination of chlorinated aluminum compounds
Process Enhancements
- Temperature Optimization: Refined operating window for optimal distribution
- Catalyst Recovery: Improved caustic washing and catalyst destruction
- Product Separation: Enhanced fractionation for specific carbon cuts
- Energy Integration: Heat integration with ethylene production
Economic Performance
Capital Investment (2025 USD Basis) for a Grassroots Plant (500,000 MT/year):
- Battery Limits: $200-300 million
- Utilities & Offsites: $100-150 million
- Total Installed Cost: $300-450 million
Operating Economics, Cash Cost Breakdown:
- Ethylene Feedstock: 85-90%
- Utilities: 3-5%
- Catalyst & Chemicals: 2-4%
- Labor & Maintenance: 3-5%
Key Economic Drivers:
- Ethylene feedstock cost (primary driver)
- Product mix optimization for market demands
- Energy integration efficiency
- Catalyst consumption rates
Environmental Profile
Process Advantages
- Lower temperature than competitive processes
- Catalytic quantities of aluminum compounds
- High ethylene utilization through recycle
- Minimal liquid waste generation
Environmental Considerations
- Aluminum waste from catalyst destruction
- Caustic consumption for catalyst neutralization
- Hydrocarbon emissions from separation systems
- Energy requirements for high-pressure operation
Competitive Position
Technology Advantages
- First-mover advantage: 60 years of operational experience
- Proven reliability: Decades of continuous operation
- Full-range production: Complete C₄-C₃₀⁺ spectrum in single process
- Integration synergies: Optimized for downstream PAO production
- Technical maturity: Well-understood process with extensive optimization
Technology Limitations
- Statistical distribution: Limited control over specific carbon number enhancement
- High temperature/pressure: Energy-intensive operation
- Catalyst handling: Requires specialized safety and handling procedures
- Product separation: Complex fractionation system required
- Market positioning: Statistical distribution may not optimize for all applications
Strategic Importance
Integration Benefits
The LAO process provides critical strategic advantages for CPChem's integrated operations:
- Feedstock Security: Captive supply eliminates market exposure for downstream units
- Cost Optimization: Integrated production reduces logistics and inventory costs
- Quality Control: Direct control over feedstock specifications for PAO production
- Operational Flexibility: Ability to optimize LAO production for internal consumption
Market Position
- Global significance: Second-largest LAO producer worldwide (2010: 20.5% market share)
- Strategic asset: Enables competitive positioning in specialty chemical markets
- Technology leadership: Pioneer status in ethylene oligomerization industry
Technology Licensing
- Historical Status: Limited licensing to select partners (Mitsubishi, Chemopetrol)
- Current Policy: Technology retained for internal CPChem operations
- Future Outlook: No active third-party licensing programs
References
- McNulty, J.G. & Walsh, W.L. (1971) "Telomerization of Ethylene", US Patent 3,584,071, Gulf Research & Development Company
- IHS Markit (2010) "Linear Alpha-Olefins", Chemical Economics Handbook, Process Economics Program
- CPChem Company History (2020) Available at: https://www.cpchem.com/who-we-are/company-history
- CPChem Normal Alpha Olefins FAQ (2025) Available at: https://www.cpchem.com/what-we-do/solutions/normal-alpha-olefins/faq
- Chevron Phillips Chemical Company (2025) Cedar Bayou Facility Fact Sheet
- Forestière, A., et al. (2009) "Oligomerization of Monoolefins by Homogeneous Catalysts", Oil & Gas Science and Technology
- Belov, G.P. & Matkovsky, P.E. (2010) "Processes for the production of higher linear α-olefins", Petroleum Chemistry
- Various CPChem Press Releases (2013-2025) on NAO capacity expansions and facility developments
- Qatar Chemical Company II Ltd (2023) "Company Overview", Available at: https://www.qchem.com.qa/app_pages/Company/Overview.aspx
- Ras Laffan Operating Company (2009) "Q-Chem II Project Overview", Available at: https://www.rloc.com.qa/App_Pages/Partners/Q-ChemII.aspx
- Mesaieed Petrochemical Holding Company (2004) "Qatar Chemical Company II Ltd", Available at: https://www.mphc.com.qa/en/about-mphc/group-companies/qatar-chemical-company-ii-ltd-qchem-ii/
- Qatar Chemical Company II (2019) "Alpha Olefin Waxes Safe Handling Guidelines", Product Stewardship Document
- Chevron Phillips Chemical Company (2020) "Mesaieed, Qatar", Available at: https://www.cpchem.com/locations/middle-east/mesaieed-qatar
- CIOViews (2020) "Phillips and Qatar join hands to create Petrochemicals complex", October 18, 2020
- Made in Qatar (2024) "Qatar Chemical Company - Factory Profile", September 4, 2024