ppPLUS: Technologies and more
Go to Homepage to browse companies and process data
ppPLUS-Solutions providing Services and Support
Register creating your own models
Technology

- Name
- lyondellbasell Hostalen
- Owner
-
/ LyondellBasell Industries N.V. - Brand
- Hostalen
- Process
- Polyethylene processes
- Type
- Stirred Tank Reactor Slurry Polymerization of Ethylene
- Available
-
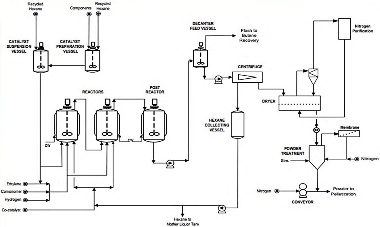
The Hostalen process is a Slurry Polymerization method with two Reactors in series to produce Bimodal High-Density Polyethylene (HDPE).
Polymerization occurs in a Dispersing Medium, such as n-Hexane, using a very High-Activity Ziegler-Natta Catalyst.
For HDPE Production the Catalyst, the Dispersing Medium, Monomer and Hydrogen are fed to the First Reactor where the first Polymerisation step occurs.
The Second Polymerization step occurs under different Reaction Conditions compared with the first Reactor. No further Catalyst but only Ethylene, Butene and further Dispersing Medium are fed to the Second Reactor.
Finally, the HDPE Slurry from the Second Reactor is sent to the Decanter and the Polymer is separated from the Dispersing Medium.
The Polymer containing the remaining Hexane is dried in a Fluidized Bed Dryer and Catalyst/Cocatalyst Residuals are removed in the Powder Treatment Vessel.
The Hostalen Technology is no longer licensed as it has been replaced with Hostalen ACP.
Adapted from: Hydrocarbon Processing, 18th Jun 2018, Polyethylene, HDPE Process by LyondellBasell (accessed 14th Nov 2021).

No Services yet available.
Enquire in Solutions how we can help you.
Entity | Site (Country) | Asset (Plant) | |||
---|---|---|---|---|---|
![]() |
![]() |
|
HDPE Plant | ||
![]() |
![]() |
|
HDPE Plant | ||
![]() |
![]() |
|
HDPE Plant | ||
![]() |
![]() |
|
HDPE Plant 1 | ||
![]() |
![]() |
|
HDPE Plant | ||
![]() |
![]() |
|
HDPE Plant | ||
![]() |
![]() |
|
HDPE plant | ||
![]() |
![]() |
|
HDPE Plant |
Content provided by
Transaction | Name | Date |
---|---|---|
Modified by |
![]() |
9/30/2025 4:10 PM |
Added by |
![]() |
4/28/2024 2:48 PM |