Technology
- Name
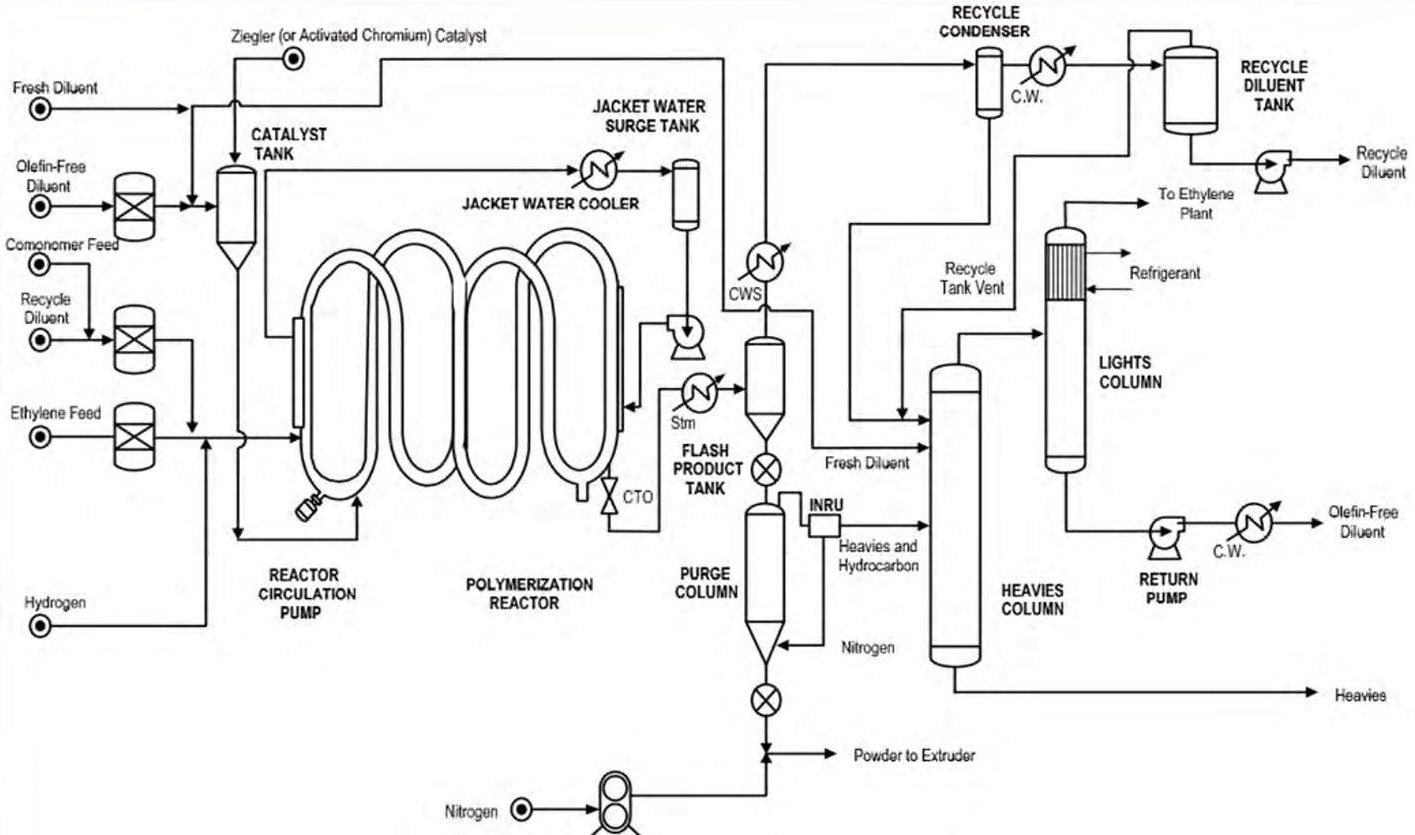
- CPChem MarTECH Single Loop
- Owner
-
/ Chevron Phillips Chemical Company LLC - Brand
- MarTECH® SL
- Process
- Polyethylene processes
- Type
- Loop Reactor Slurry Polymerization of Ethylene
- Available
-
- #TE196
Description
Your insights will be shown here
| Entity | Site (Country) | Asset (Plant) | |||
|---|---|---|---|---|---|
|
|
|
OL4 | ||
|
|
|
MarTech HDPE | ||
|
|
|
HDPE Plant 1 | ||
|
|
|
HDPE Plant 2 | ||
|
|
|
HDPE Plant | ||
|
|
|
HDPE Plant | ||
|
|
|
HDPE Plant | ||
|
|
|
HDPE Plant 1 | ||
|
|
|
HDPE Plant 2 | ||
|
|
|
HDPE Plant 1 | ||
|
|
|
HDPE Plant 2 | ||
|
|
|
MarTech HDPE |
Content provided by
| Transaction | Name | Date |
|---|---|---|
| Modified by |
|
9/30/2025 4:05 PM |
| Added by |
|
12/28/2022 12:59 PM |
